• <th></th>

    <span><legend id="DG1nRs"></legend></span>

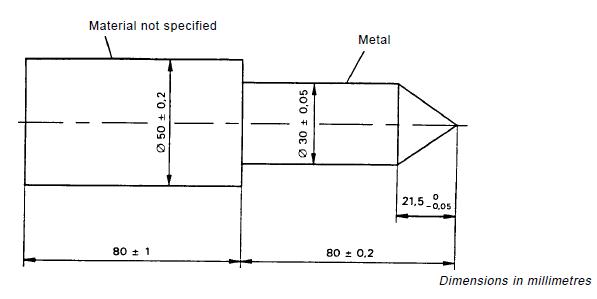
                    IEC61032 Test Probe 41 BND-41

                    Product Description:Technical Parameters:1,Test Rod Diameter: 30mm2, Rigid Finger Length:80mm3,Handle Diameter:50mm4,Handle Length:80mm5, According to : IEC61032:1997 Figure 16
                    Description

                    Product Description:

                    Technical Parameters:

                    1,Test Rod Diameter: 30mm

                    2, Rigid Finger Length:80mm

                    3,Handle Diameter:50mm

                    4,Handle Length:80mm

                    5, According to : IEC61032:1997 Figure 16


                    Appliance :

                    This probe is intended to verify the protection against access to glowing heating elements.


                    IEC61032 Test Probe 41-1

                    IEC61032 Test Probe 41-2

                    vGiMF
                  1. <th></th>

                    <span><legend id="DG1nRs"></legend></span>